Aufbau

Cach Lesen
CPU überprüft, ob eine Kopie der Hauptspeicherzelle mit Adresse a im Cache abgelegt ist:
cach hit
Daten sind in Cach.
In einem Cycle:
- Läd Cach zu CPU
Zugriffszeit:
Link to original
cach miss
Daten nicht in Cach.
In einem Cycle:
- Läd vom Hauptspeicher in den Cach
- Läd vom Hauptspeicher in die CPU
Zugriffszeit:
Link to original
Trefferate:
Durchschnittliche Zugriffszeit:
Schreibzugriff Verfahren
Write trough
Hauptspeicher wird immer aktualisiert
Link to original
- cach miss:
- CPU schreibt Daten in Hauptspeicher
- cach hit:
- Hauptspeicher wird aktualisiert
- Kopie im Cache wird aktualisiert
write back
Hauptspeicher wird aktualisiert wenn aus Cach verdrängt wird.
Link to original
- cach miss
- CPU schreibt in Hauptspeicher
- cach hit
- Kopie wird Cache aktualisiert und mit dirty bit markiert.
- Hauptspeicher wird erst aktualisiert, wenn Kopie aus dem Cache verdrängt wird.
write-allocation
Alles wird erst im Cache behandelt.
Link to original
- cach miss
- CPU schreibt in Cache und makiert mit dirty bit.
- Hauptspeicher wird erst aktualisiert, wenn Kopie aus dem Cache verdrängt wird.
- cach hit
- Kopie wird Cache aktualisiert und mit dirty bit markiert.
- Hauptspeicher wird erst aktualisiert, wenn Kopie aus dem Cache verdrängt wird.
DMA
Direct Access Memory Controller
Erlaubt das man direckt mir dem Hauptspeicher komunizieren.
Disk zu RAM ohne das die CPU Involviert ist.
Link to original
Verdrängungs Stratigie
FIFO
First in First out.
Einfach immer push back und pop front.
Link to original
LFU
Least frequently used
Was am wenigstens gelesen wird fliegt raus.
Link to original
LRU
Least recently used
Was am längsent nicht benutzt wurde fliegt raus.
Link to original
Direct Mapped Cache
Die letzten paar bits der Hauptspeicher Adresse stehen für Cach Adresse
Cach Adresse = Hauptspeicher Adresse % Cachgröße
Cache Tag
Die restlichen Bits der Hauptspeicher Adresse
Valid Bit
Gibt an ob der eintrag gültig ist.
Wichtig
Keine Verdrenungsstratigie benötigt.
Link to original
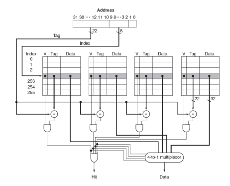
DMC
Direct Mapped Cache UND Assoziativer Cache
mehere parallele Direct Mapped Caches in einem Assoziativen Cache
Link to original

